Thiết bị chống sét lan truyền VF230-AC/DC (255VAC/350VDC, 20kA)
OBO VF230-AC/DC là thiết bị chống sét nguồn điện 1 chiều 230V được thiết kế dạng modular, trực quan dễ sử dụng, dễ dàng thay thế, an toàn, vật liệu chất lượng cao đáp ứng theo các tiêu chuẩn mới nhất được sử dụng để bảo vệ tốt thiết bị trước các tác động từ bên ngoài.
Ứng dụng cho hệ thống điều khiển, đường truyền Profibus, hệ thống nhiệt (heating control system)... Lắp đặt trước bộ điều khiển controller
Tải Catalogue thiết bị chống sét OBO VF230 AC/DC: Tại đây
- Tải chứng chỉ thiết bị chống sét OBO: CO, CQ

Thiết bị chống sét điện 1 chiều 230V VF230-AC/DC
Thông số kỹ thuật thiết bị chống sét 230VAC VF230-AC/DC
- Thời gian phản hồi: <25 ns
- Phiên bản cho: Phiên bản 230 V
- Phiên bản cực: 2
- Điện áp liên tục tối đa AC: 255V
- Điện áp liên tục tối đa DC: 350V
- Vùng chống sét LPZ: 2→3
- Tối đa bảo vệ quá dòng phía nguồn điện: 20
- Cầu chì dự phòng tối đa: 20A
- Dòng xả tối đa (8/20μs): 7kA
- Dòng xả danh định (8/20µs): 2,5kA
- Điện áp danh định AC (50/60 Hz): 230V
- OBO dòng tải danh định (đầu vào/đầu ra): 20A
- Nguồn điện: 255VAC/350VDC
- Dòng xung limp (8/20µs: 2.5kA
- Số cực: 3
- Mức bảo vệ: ≤1,4
- Mức bảo vệ [L-N]: ≤1,0
- Mức bảo vệ [N-PE]: 1,4 kV
- Mức bảo vệ dây-dây: <1000 V
- Mức bảo vệ dây-đất: <1400 V
- SPD theo EN 61643-11: Loại 3
- SPD theo IEC 61643-1: Loại III
- Loại cáp cho thiết bị chống sét lan truyền: Cáp nguồn AV
- Tiêu chuẩn: CE, IEC, VDE 0100-443 (IEC 60364-4-44), VDE 0185-305 (IEC 62305)
- Các chứng nhận: DIN EN ISO 9001, DIN EN ISO 14001, BS OHSAS 18001, KTA / IAEA / 10CFR50, SCC**,..
- Tiết diện dây dẫn, mềm (dây mảnh), tối thiểu: 2,5mm2
- Tiết diện dây dẫn, cứng (dây đơn/nhiều dây), tối đa: 2,5mm2
- Tiết diện dây dẫn, cứng (dây đơn/nhiều dây), tối thiểu: 0,14mm2
- Kiểu lắp đặt: Thanh ray DIN 35 mm
- Mã sản phẩm: 5097649
- Xuất xứ: Đức/ Hungary / Hãng sản xuất: OBO
- Bảo hành: 12 tháng.
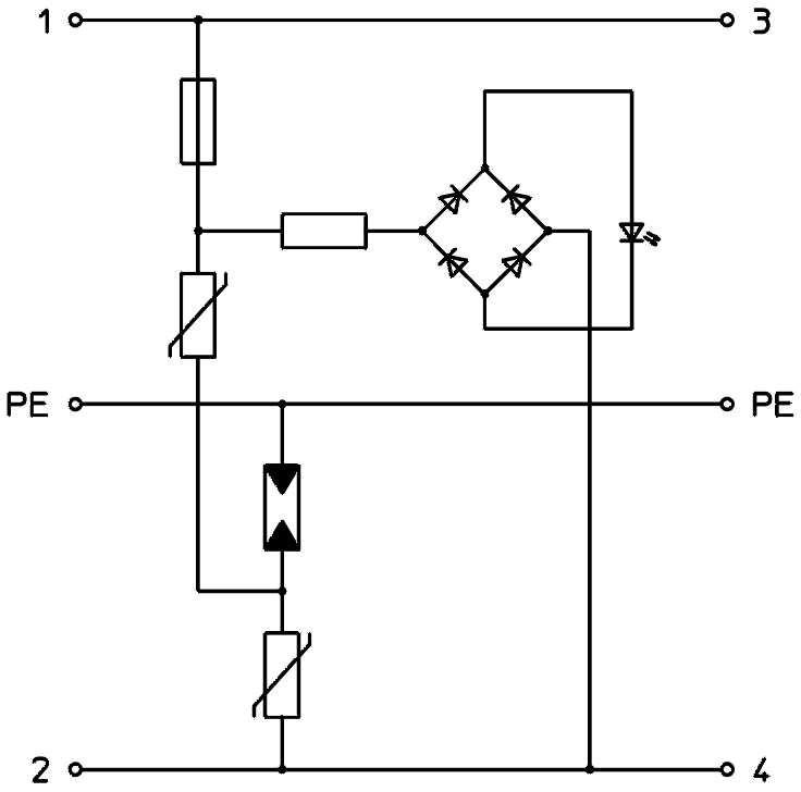
Hướng dẫn đấu nối thiết bị chống sét OBO VF230-AC/DC

Sơ đồ đấu nối chống sét nguồn 1 chiều 230V OBO VF230-AC/DC
Mọi yêu cầu về tài liệu kỹ thuật, catalogue, điều khoản mua bán và báo giá thiết bị chống sét OBO VF230-AC/DC, Quý khách vui lòng liên hệ với chống sét Đông Nam để được tư vấn chi tiết
