Video giới bộ chống sét lan truyền OBO V20-C 3-280
Chống sét lan truyền 3 pha OBO V20 C 3-280
- OBO V20 C 3-280 là thiết bị chống sét lan truyền nhằm hạn chế sự quá áp đột biến lan truyền trên đường dây bằng cách chuyển hướng dòng điện nguy hiểm này sang hệ thống tiếp địa một cách an toàn.
- Tải Catalogue thiết bị cắt lọc sét 3 pha OBO: Tại đây
- Tải bảng giá thiết bị chống sét OBO: Tại đây
- Tải chứng chỉ thiết bị chống sét OBO: CO, CQ

Thiết bị cắt lọc sét 3 pha
Thông số kỹ thuật bộ chống sét lan truyền 3 pha V20 C 3-280
- Điện áp làm việc định mức: (V) (Ue) LN=220/230/240VAC
- Điện áp sử dụng liên tục lớn nhất: (V) LN=280VAC
- Dòng xả sét định mức: (8/20uS) / (10/350uS) 20kA
- Dòng xả sét lớn nhất: (8/20uS) / (10/350uS) 40kA
- Dòng xả sét tổng: (8/20uS) / (10/350uS) 120kA
- Điện áp xung tối đa bảo vệ được: <1.3kV
- Thời gian đáp ứng <25 nS
- Xuất xứ: Đức/Hungary / Thương hiệu: OBO
- Model: V20-C 3-280 (5094 624)
- Mã mới: V20-3-280 (5095 163)
- Bảo hành: 12 tháng.

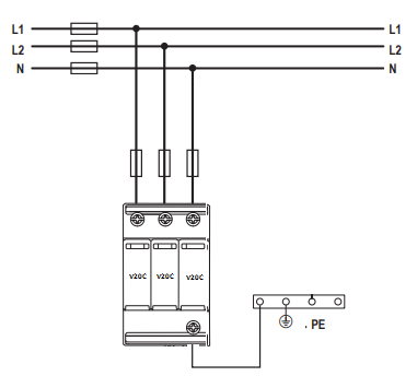
Sơ đồ đấu át chống sét 3 pha OBO

Lắp thiết bị cắt sét OBO V20-C 3-280 trong tủ điện 3 pha
Bảng giá thiết bị chống sét SPD 3 pha OBO
| Tên thiết bị | Cấp bảo vệ | Dòng cắt | Đơn giá |
| Thiết bị cắt sét V10 COMPACT 385 | Type 3 | 20kA | 3.754.000 |
| Thiết bị cắt sét V10-C 3+NPE-280 | Type 3 | 20kA | 3.605.000 |
| Thiết bị cắt sét V20-C 3-280 | Type 2 | 40kA | 4.974.000 |
| Thiết bị cắt sét V20-C 4-280 | Type 2 | 40kA | 4.775.000 |
| Thiết bị cắt sét V20-C 3+NPE-280 | Type 2 | 40kA | 4.745.000 |
| Thiết bị cắt sét V50B+C3+NPE-280 | Type 1+2 | 50kA | 9.995.000 |
| Thiết bị cắt sét MCD 50-B 3+1 | Type 1 | 50kA | 18.810.000 |
Mọi yêu cầu về tài liệu kỹ thuật, Catalogue và báo giá thiết bị cắt lọc sét 3 pha V20 C 3-280, Quý khách vui lòng liên hệ với chống sét Đông Nam để được tư vấn chi tiết.
