Chống sét lan truyền OBO V20-3+NPE-280 (5095253) của OBO Bettermann là thiết bị SPD Type 2 được thiết kế chuyên dụng để bảo vệ hệ thống điện 3 pha khỏi xung sét lan truyền và quá áp, đảm bảo an toàn cho thiết bị và hoạt động ổn định của công trình
Tải Catalogue thiết bị chống sét OBO V20-3+NPE-280: Tại đây

Thiết bị cắt sét 3 pha Type 2 OBO V20-3+NPE-280
Thông số kỹ thuật chống sét 3 pha OBO V20-3+NPE-280
- Chủng loại: Thiết bị chống sét lan truyền (SPD) Type 2
- Cấu hình: 3 pha
- Điện áp danh định (Un): 230/400V AC
- Điện áp tối đa liên tục (Uc): 280V AC
- Dòng xung danh định (In): 20kA (8/20 µs)
- Dòng xung cực đại (Imax): 40kA (8/20 µs)
- Điện áp bảo vệ (Up): ≤ 1.5kV
- Thời gian đáp ứng: < 25ns
- Thiết kế: Module (có thể thay thế lõi)
- Tiêu chuẩn: IEC 61643-11, VDE
- Model: V20-3+NPE-280 / Mã sản phẩm: 5095253
- Xuất xứ: Đức-Hungary / Hãng sản xuất: OBO
- Bảo hành: 12 tháng.

Lắp thiết bị chống sét OBO V20-3+NPE trong tủ điện 3 pha
Ứng dụng của chống sét lan truyền OBO V20-3+NPE-280
- Thiết bị được sử dụng rộng rãi trong nhiều hệ thống điện như:
- Tủ điện tổng tòa nhà
- Nhà máy sản xuất
- Trung tâm dữ liệu (Data Center)
- Hệ thống điện công nghiệp
- Hệ thống điện khách sạn, bệnh viện
- Hệ thống điện văn phòng và trung tâm thương mại
- Đây là giải pháp bảo vệ cấp 2 (Type 2 SPD) trong hệ thống chống sét lan truyền, thường được lắp sau thiết bị chống sét Type 1 tại tủ điện tổng.
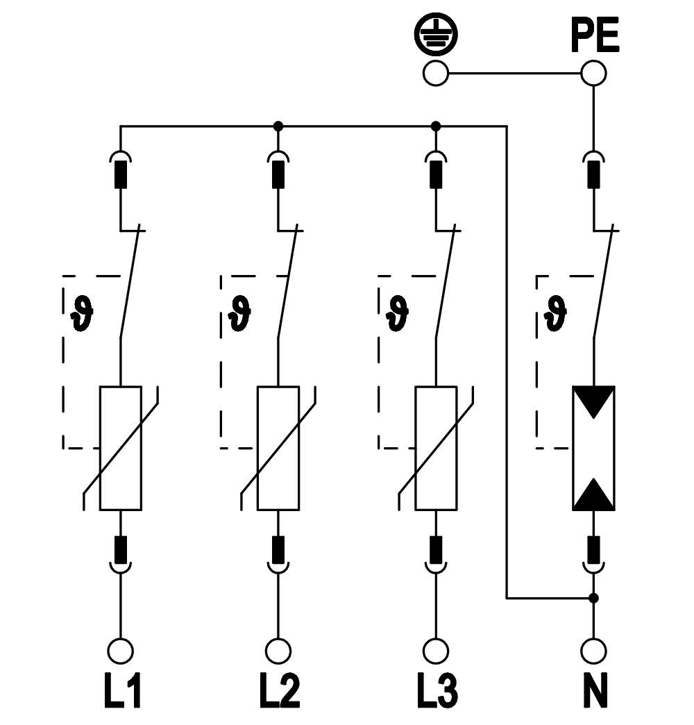
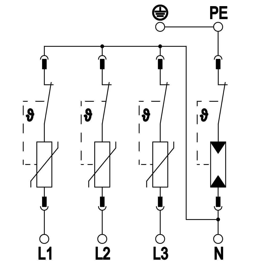
Sơ đồ lắp đặt Át chống sét 3 pha OBO V20-3+NPE-280

Sơ đồ lắp đặt thiết bị cắt sét 3 pha OBO V20-3+NPE-280
Mọi yêu cầu về tài liệu kỹ thuật, Catalogue, báo giá thiết bị cắt lọc sét 3 pha OBO V20-3+NPE-280, Quý khách vui lòng liên hệ với chống sét Đông Nam để được tư vấn chi tiết.
