Ổ cắm công nghiệp gắn âm không kín nước, dạng thẳng 3Pha - 63A - 5 chân - IP44, mã 1252A
- Được thiết kế dùng cho môi trường khắc nghiệt
- Thích hợp trong các ngành công nghiệp máy, nhà máy điện, các ngành xây dựng
- Được làm bằng vật liệu polyamid, chịu nhiệt và độ cách điện cao
- Sản xuất bởi hãng MENNEKES, nhập khẩu nguyên bộ từ Đức
- Cung cấp CO/CQ và tài liệu kỹ thuật
- Tải Catalogue ổ cắm công nghiệp Mennekes: Tại đây

Ổ cắm 2 pha gắn âm không kín nước, dạng thẳng 3pha - 63A - 5 chân - IP44
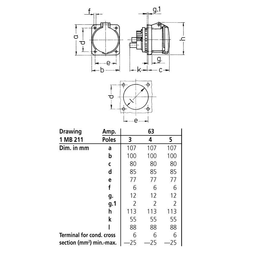
Thông số kỹ thuật ổ cắm 3 pha gắn âm không kín nước, dạng thẳng 3p - 63A - 5 chân - IP44
- Loại: Ổ cắm công nghiệp gắn âm, loại không kín nước dạng thẳng
- Màu sắc: Đỏ, trắng
- Số ổ cắm: 3+N+E
- Dòng định mức: 63A
- Cấp bảo vệ: IP44
- Điện áp: 400 VAC 50-60Hz
- Kiểu lắp đặt: Gắn âm
- Tiêu chuẩn: VDE, CQC, EAC
- Dùng cho điện: 3 pha
- Trọng lượng: 623g
- Vị trí hướng: 6h
- Mặt bích: 107x100mm
- Mã sản phẩm: 1252A
- Xuất xứ: Mennekes - Đức
- Bảo hành: 12 tháng

Thông số ổ cắm công nghiệp 3 pha gắn âm không kín nước, dạng thẳng 3P - 63A - 5 chân - IP44
Mọi yêu cầu về Tài liệu kỹ thuật, Catalogue và Báo giá ổ cắm công nghiệp gắn âm không kín nước, dạng thẳng 3Pha - 63A - 5 chân - IP44 , mã 1252A, Quý khách vui lòng liên hệ với công ty Đông Nam để được tư vấn chi tiết.
