Ổ cắm công nghiệp có khóa liên động, loại không kín nước, 1 pha - 32A - 3 chân - IP44 - Mã 5696A
- Được thiết kế dùng cho môi trường khắc nghiệt
- Thích hợp trong các ngành công nghiệp máy, nhà máy điện, các ngành xây dựng
- Được làm bằng vật liệu polyamid, chịu nhiệt và độ cách điện cao
- Sản xuất bởi hãng MENNEKES, nhập khẩu nguyên bộ từ Đức
- Cung cấp CO/CQ và tài liệu kỹ thuật
- Tải Catalogue ổ cắm công nghiệp Mennekes: Tại đây

Ổ cắm 3 pha có khóa liên động, loại không kín nước, 1 pha - 32A - 3 chân - IP44 - Mã 5696A
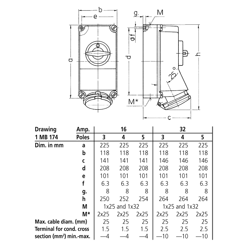
Thông số kỹ thuật ổ cắm công nghiệp 1 pha có khóa liên động, loại không kín nước, 1 p - 32A - 3 chân - IP44
- Loại: Ổ cắm công nghiệp liên động
- Màu sắc: Trắng đỏ
- Số ổ cắm: 2+E
- Dòng định mức: 32A
- Cấp bảo vệ: IP44
- Điện áp: 230 VAC 50-60Hz
- Kiểu lắp đặt: Gắn nối
- Tiêu chuẩn: VDE, CQC, EAC
- Dùng cho điện: 1 pha
- Trọng lượng: 1134g
- Vị trí hướng: 6h
- Mã sản phẩm: 5696A
- Xuất xứ: Mennekes - Đức
- Bảo hành: 12 tháng

Thông số ổ cắm điện công nghiệp có khóa liên động, loại không kín nước, 1 pha - 32A - 3 chân - IP44
