Ổ cắm 3 pha gắn âm cho Container, loại kín nước 3P - 32A - 3+E-3H - IP67 - mã 2123A
- Được thiết kế dùng cho môi trường khắc nghiệt.
- Thích hợp trong các ngành công nghiệp máy, nhà máy điện, các ngành xây dựng, ...
- Được làm bằng vật liệu polyamid, chịu nhiệt và độ cách điện cao.
- Sản xuất bởi hãng MENNEKES, nhập khẩu nguyên bộ từ Đức
- Cung cấp CO/CQ và tài liệu kỹ thuật.
- Tải Catalogue ổ cắm công nghiệp Mennekes: Tại đây

Ổ cắm 3 pha gắn âm cho Container, loại kín nước 32A - 3+E-3H - IP67 - mã 2123A
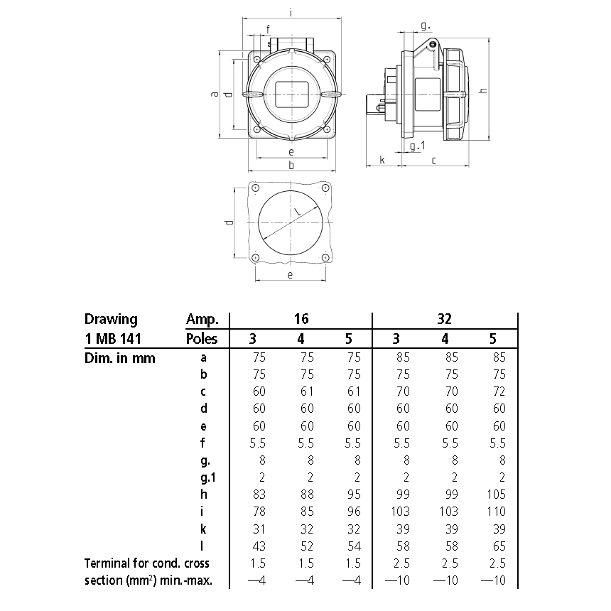
Thông số kỹ thuật ổ cắm gắn âm cho Container, loại kín nước 3 Pha - 32A - 3+E-3H - IP67
- Loại Ổ cắm công nghiệp gắn âm
- Màu sắc Trắng đỏ
- Số ổ cắm 3+E-3H
- Dòng định mức 32A
- Cấp bảo vệ (IP) 67
- Điện áp 400-440 VAC 50-60Hz
- Kiểu lắp đặt Gắn âm
- Tiêu chuẩn VDE, NL, CQC, EAC
- Dùng cho điện 3 pha
- Trọng lượng 301g
- Dùng cho điện 3 pha
- Vị trí hướng 3h
- Mã sản phẩm 2123A
- Xuất xứ Mennekes - Đức
- Bảo hành 12 tháng

Thông số ổ cắm ổ cắm công nghiệp 3 pha 32a gắn âm cho Container, loại kín nước 3 Pha - 32A - 3+E-3H - IP67
