Chống sét lan truyền 3 pha OBO MCD 50-B 3+1
- OBO MCD 50-B 3+1 là thiết bị chống sét lan truyền nhằm hạn chế sự quá áp đột biến lan truyền trên đường dây bằng cách chuyển hướng dòng điện nguy hiểm này sang hệ thống tiếp địa một cách an toàn.
- Tải Catalogue thiết bị cắt lọc sét 3 pha OBO: Tại đây
- Tải bảng giá thiết bị chống sét OBO: Tại đây
- Tải chứng chỉ thiết bị chống sét OBO: CO, CQ

Bộ chống sét OBO MCD 50-B 3 + 1
Thông số kỹ thuật thết bị cắt lọc sét lan truyền 3 pha OBO MCD 50-B 3 + 1
- Chống sét cấp 1, Ứng dụng cho tủ tổng
- Điện áp định mức: 230V
- Chống xung sét sơ cấp: (10/350μs) cho từng dây pha: 50kA
- Chống xung sét thứ cấp: (8/25μs) cho từng dây pha: 50kA
- Chống xung sét sơ cấp: (10/350μs) tổng: 125kA
- Chống xung sét thứ cấp: (8/25μs) tổng: 125kA
- Mức điện áp bảo vệ: Up <1,3kV
- Thời gian phản hồi: <100ns
- Cầu chì bảo vệ tối đa: 500A
- Xuất xứ: Đức/Hungary / Thương hiệu: OBO
- Model: MCD 50-B 3+1 / Mã sản phẩm: 5096 879
- Bảo hành: 12 tháng.

Lắp đặt thết bị chống sét lan truyền 3 pha OBO
Hướng dẫn lắp át chống sét OBO 3 pha

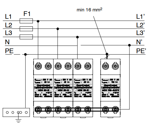
Sơ đồ đấu nối thiết bị cắt lọc sét OBO MCD 50-B 3 + 1
Bảng giá thiết bị chống sét SPD 3 pha OBO
| Tên thiết bị | Cấp bảo vệ | Dòng cắt | Đơn giá |
| Thiết bị cắt sét V10 COMPACT 385 | Type 3 | 20kA | 3.754.000 |
| Thiết bị cắt sét V10-C 3+NPE-280 | Type 3 | 20kA | 3.605.000 |
| Thiết bị cắt sét V20-C 3-280 | Type 2 | 40kA | 4.974.000 |
| Thiết bị cắt sét V20-C 4-280 | Type 2 | 40kA | 4.775.000 |
| Thiết bị cắt sét V20-C 3+NPE-280 | Type 2 | 40kA | 4.745.000 |
| Thiết bị cắt sét V50B+C3+NPE-280 | Type 1+2 | 50kA | 9.995.000 |
| Thiết bị cắt sét MCD 50-B 3+1 | Type 1 | 50kA | 18.810.000 |
Mọi yêu cầu về tài liệu kỹ thuật, Catalogue và báo giá thiết bị chống sét lan truyền OBO MCD 50-B 3+1, Quý khách vui lòng liên hệ với chống sét Đông Nam để được tư vấn chi tiết.
