Thiết bị chống sét lan truyền 1 pha OBO MC 50-B VDE
- OBO MC 50-B VDE là thiết bị nhằm hạn chế sự quá áp đột biến lan truyền trên đường dây bằng cách chuyển hướng dòng điện nguy hiểm này sang hệ thống tiếp địa một cách an toàn.
- Ngoài việc chống sét bằng hệ thống kim thu sét, chống sét lan truyền sẽ giúp cho hệ thống điện, điện tử & CNTT, nguồn điện 1Pha, 3Pha, máy tính, Server, Modem ADSL, Switch, Tổng đài, máy Fax,… được bảo vệ tối đa các nguy hiểm do sét gây ra.
- Tải Catalogue thiết bị chống sét OBO 1 pha MC 50-B VDE: Tại đây
- Tải bảng giá thiết bị chống sét OBO: Tại đây

Thiết bị cắt lóc sét 1 pha mắc song song OBO MC 50-B VDE
Thông số kỹ thuật thiết bị chống sét lan truyền OBO MC 50-B VDE
- Điện áp định mức: 230V
- Mức chống sét: chống sét cấp 1
- Chống xung sét sơ cấp (10/350μs): 50kA
- Chống xung sét thứ cấp (8/25μs): 50kA
- Mức điện áp bảo vệ: Up <2kV
- Thời gian phản hồi: <100ns
- Cầu chì bảo vệ tối đa: 500A
- Tiết diện dây đồng tiếp địa vàng xanh: 16mm2 - 50mm2
- Xuất xứ: Đức/Hungary / Thương hiệu: OBO
- Model: MC 50-B VDE
- Mã sản phẩm: 5096 847
- Bảo hành: 12 tháng.

Thiết bị chống sét lan truyền OBO MC 50-B VDE
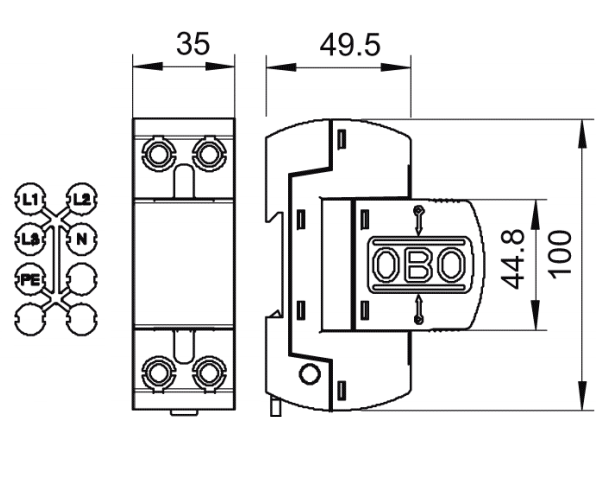
Kích thước thiết bị chống sét lan truyền OBO MC 50-B VDE

Kích thước thiết bị chống sét lan truyền OBO MC 50-B VDE

Lắp thiết bị chống sét OBO MC 50-B VDE cho tủ điện 1 pha
Mọi yêu cầu về Tài liệu kỹ thuật, Catalogue và Báo giá Thiết bị chống sét lan truyền OBO MC 50-B VDE, Quý khách vui lòng liên hệ với Chống sét Đông Nam để được tư vấn chi tiết.

 
 



 
  
  
  
  
  
  
  
  
  
  
  
  
  
  
  
  
  
  
  
  
  
  
  
  
  
  
  
  
  
  
	 
	