Thiết bị chống sét lan truyền OBO PS4 B+C TT+TN
- OBO PS4 B+C TT+TN là thiết bị chống sét lan truyền nhằm hạn chế sự quá áp đột biến lan truyền trên đường dây bằng cách chuyển hướng dòng điện nguy hiểm này sang hệ thống tiếp địa một cách an toàn.
- Ngoài việc chống sét bằng hệ thống kim thu sét, chống sét lan truyền sẽ giúp cho hệ thống nguồn điện 3 pha
- Tải Catalogue thiết bị cắt lọc sét OBO PS4 B+C TT+TN: Tại đây
- Tải bảng giá thiết bị chống sét OBO: Tại đây

Thiết bị chống sét lan truyền 3 pha
Thông số kỹ thuật thiết bị chống sét lan truyền 3P OBO Betterman PS4 B+C TT+TN
- 255V, Imax (8/20) 100kA/P, Imax (10/350) 100kA/P
- Tác dụng: PS Type (Chống xung sét (10/350us), xung lan truyền (xung 8/20us) trên đường nguồn
- Cấp 1 - Ứng dụng cho tủ tổng: hệ thống viễn thông, hệ thống công nghiệp với yêu cầu đặc biệt
- Xuất xứ: Đức/Hungary
- Thương hiệu: OBO
- Model: PS4 B+C TT+TN
- Mã sản phẩm: 5089 761
- Bảo hành: 12 tháng.

Thiết bị cắt lọc sét 3 pha, lắp tủ tổng
Hướng dẫn lắp đặt thiết bị chống sét lan truyền 3 pha OBO

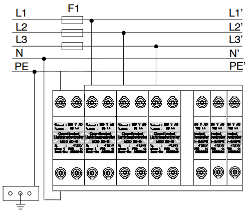
Sơ đồ đấu nối thiết bị cắt lọc sét 3 pha PS4 B+C TT+TN
Mọi yêu cầu về tài liệu kỹ thuật, Catalogue, Báo giá thiết bị chống sét lan truyền OBO PS4 B+C TT+TN, Quý khách vui lòng liên hệ với Chống sét Đông Nam để được tư vấn chi tiết.
