Tủ cắt lọc sét 3 pha 63A OBO CSAF363A-NE
- OBO CSAF363A-NE là thiết bị chống sét lan truyền 3 pha 63A nhằm cắt các xung sét trên đường nguồn và hướng xung sét xuống hệ thống tiếp địa
- Ngoài việc chống sét trực tiếp, chống sét lan truyền sẽ giúp bảo vệ cho hệ thống điện, điện tử và công nghệ thông tin
- Tải Catalogue tủ cắt lọc sét 3 pha 63A OBO: Tại đây
- Tải chứng chỉ tủ chống sét OBO: CO, CQ

Thiết bị cắt lọc sét 3 pha, CSAF363A-NE OBO
Thông số kỹ thuật tủ cắt lọc sét CSAF3125A-NE
- Điện áp định mức V Un 230
- Điện áp liên tục lớn nhất 255
- Dòng định mức (A) IL 63
- Hệ thống phân phối điện TN-S,TT
- SPD đến EN 61643-11 loại 1+2
- SPD đến IEC 61643-11 cấp I+II
- Vùng bảo vệ chống sét LPZ 0→2
- Đánh giá bảo vệ đột biến cho mỗi pha 50kA 10/350μs & 50kA 8/20μs
- Đánh giá chống sét lan truyền thứ cấp cho mỗi pha 40kA 8/20μs
- N - E protection 125kA 10/350μs & 125kA 8/20μs
- Chế độ bảo vệ: L-N, N-PE
- Cuộn cảm: không bão hòa, không thấp, lọc công suất tiếng ồn
- Mức bảo vệ kV Up <2
- Thời gian đáp ứng ns tA <25
- Tuân theo cong suất dập tắt hiện tại (eff) [N-PE] kA 25
- Bảo vệ vỏ kim loại
- Kích thước 550x400x180mm
- Xuất xứ: Đức/Hungary
- Thương hiệu: OBO / Model: CSAF363A-NE
- Mã sản phẩm: CSAF363A-NE
- Bảo hành: 12 tháng.
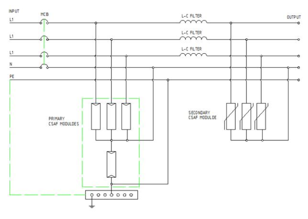
Hướng dẫn lắp đặt tủ cắt lọc sét 3 pha 63A

Sơ đồ đấu nối thiết bị cắt lọc sét 3 pha 63a
Mọi yêu cầu về Tài liệu kỹ thuật, Catalogue, Báo giá Tủ cắt lọc sét CSAF363A-NE Quý khách vui lòng liên hệ với Chống sét Đông Nam để được tư vấn chi tiết.
