Tủ cắt lọc sét 3 pha 40A OBO CSAF340A-NE
- OBO CSAF340A-NE là thiết bị chống sét lan truyền 3 pha 40A nhằm cắt xung sét trên đường nguồn 3p và hướng xung sét xuống hệ thống tiếp địa
- Ngoài việc chống sét trực tiếp, chống sét lan truyền sẽ giúp bảo vệ cho hệ thống điện, điện tử và công nghệ thông tin
- Tải Catalogue tủ cắt lọc sét 3 pha 40A OBO: Tại đây
- Tải chứng chỉ tủ chống sét OBO: CO, CQ

Thiết bị chống sét lan truyền 3 pha 40A
Thông số kỹ thuật tủ cắt lọc sét CSAF340A-NE
- Điện áp định mức: V Un 230
- Điện áp liên tục lớn nhất: V 255
- Dòng định mức: (A) IL 40
- Hệ thống phân phối điện: TN-S, TT
- SPD đến EN 61643-11 loại 1+2
- SPD đến IEC 61643-11 Cấp I+II
- Vùng bảo vệ chống sét LPZ 0→2
- Đánh giá bảo vệ đột biến cho mỗi pha: 50kA 10/350μs & 50kA 8/20μs
- Đánh gí chống sét lan truyền thứ cấp cho mỗi pha: 40kA 8/20μs
- N - E protection 125kA 10/350μs & 125kA 8/20μs
- Chế độ bảo vệ: L-N, N-PE
- Cuộn cảm: không bão hòa, không thấp, lọc công suất tiếng ồn
- Mức bảo vệ điện áp: kV Up <2
- Thời gian đáp ứng ns: tA <25
- Tuân theo công suất dập tắt hiện tại: (eff) [N-PE] kA 25
- Kích thước: 550x400x180mm
- Xuất xứ: Đức - Hungary / Thương hiệu: OBO
- Model: CSAF340A-NE
- Bảo hành: 12 tháng.
Hướng dẫn lắp đặt tủ cắt lọc sét 3P 40A, OBO

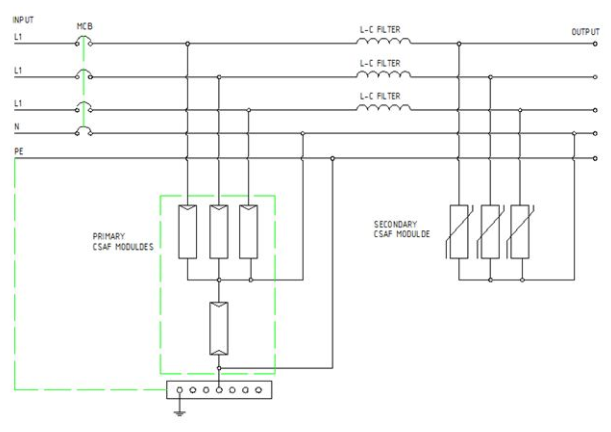
Sơ đồ đấu nối thiết bị cắt lọc sét 3 pha 40a
Mọi yêu cầu về tài liệu kỹ thuật, Catalogue và Báo giá Tủ cắt lọc sét CSAF340A-NE, Quý khách vui lòng liên hệ với Chống sét Đông Nam để được tư vấn chi tiết.
