Tủ cắt lọc sét 3 pha 125A OBO CSAF3125A-NE
- OBO CSAF3125A-NE là thiết bị chống sét lan truyền 3 pha 125A, nhằm cắt xung sét lan truyền trên đường nguồn để hướng xung sét xuống hệ thống tiếp địa
- Ngoài việc chống sét trực tiếp, chống sét lan truyền sẽ giúp bảo vệ cho hệ thống điện, điện tử và công nghệ thông tin
- Tải catalogue tủ cắt lọc sét 3 pha 125A OBO: Tại đây
- Tải chứng chỉ tủ chống sét OBO: CO, CQ

Thiết bị chống sét lan truyền 3 pha 125A
Thông số kỹ thuật tủ cắt lọc sét CSAF3125A-NE
- Điện áp định mức: V Un 230
- Điện áp liên tục lớn nhất: 255V
- Dòng định mức: (A) IL 125
- Hệ thống phân phối điện: TN-S, TT
- SPD đến EN 61643-11 loại 1+2
- SPD đến IEC 61643-11 cấp I+II
- Vùng bảo vệ chống sét 0→2
- Đánh giá bảo vệ đột biến cho mỗi pha 50kA 10/350μs & 50kA
rating per phase 8/20μs
- N - E protection 125kA 10/350μs & 125kA 8/20μs
- Chế độ bảo vệ: L-N, N-PE
- Cuộn cảm: Không bão hòa, không thấp, Lọc công suất và tiếng ồn
- Mức bảo vệ điện áp kV Up <1.3
- Thời gian đáp ứng ns tA <25
- Tuân theo công suất dập tắt hiện tại (eff) [N-PE] kA 25
- Cầu chì dự phòng tối đa A 125
- Kích thước: 500x350x180
- Xuất xứ: Đức/Hungary / Thương hiệu: OBO
- Model: CSAF3125A-NE
- Bảo hành: 12 tháng
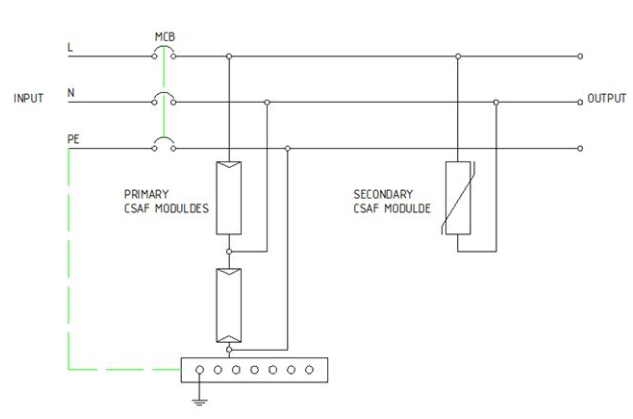
Hướng dẫn lắp tủ cắt lọc sét 3p 125a, OBO
Sơ đồ đấu nối thiết bị cắt lọc sét 3 pha 125a
Mọi yêu cầu về tài liệu kỹ thuật, Catalogue và Báo giá Tủ cắt lọc sét CSAF3125A-NE Quý khách vui lòng liên hệ với Chống sét Đông Nam để được tư vấn chi tiết.

