Ổ cắm công nghiệp Mennekes gắn âm, kín nước, dạng thẳng 1Pha - 63A - 3 chân - IP67, mã 1264A
- Được thiết kế dùng cho môi trường khắc nghiệt.
- Thích hợp trong các ngành công nghiệp máy, nhà máy điện, các ngành xây dựng, ...
- Được làm bằng vật liệu polyamid, chịu nhiệt và độ cách điện cao.
- Sản xuất bởi hãng MENNEKES, nhập khẩu nguyên bộ từ Đức
- Cung cấp CO/CQ và tài liệu kỹ thuật.
- Tải Catalogue ổ cắm công nghiệp Mennekes: Tại đây

Ổ cắm 1 pha mennekes gắn âm, kín nước, dạng thẳng 1p - 63A - 3 chân - IP67
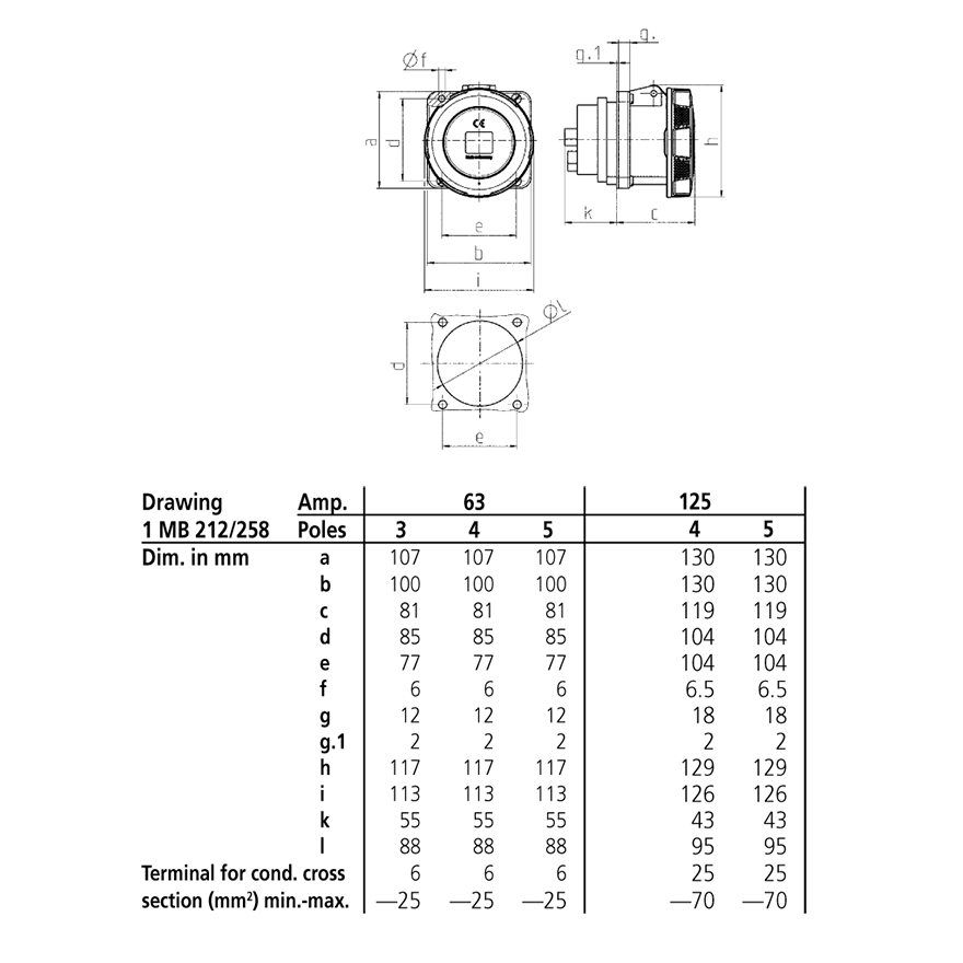
Thông số kỹ thuật ổ cắm công nghiệp 1 pha gắn âm, kín nước, dạng thẳng 1Pha - 63A - 3 chân - IP67
- Loại Ổ cắm công nghiệp gắn âm, loại kín nước dạng thẳng
- Màu sắc Xám, xanh, trắng
- Số ổ cắm 2+E
- Dòng định mức 63A
- Cấp bảo vệ (IP) 67
- Điện áp 230 VAC 50-60Hz
- Kiểu lắp đặt Gắn âm
- Tiêu chuẩn VDE, CQC, EAC
- Dùng cho điện 1 pha
- Trọng lượng 567g
- Vị trí hướng 6h
- Mặt bích 107x100mm
- Mã sản phẩm 1264A
- Xuất xứ Mennekes - Đức
- Bảo hành 12 tháng

Thông số ổ cắm 1 pha gắn âm, kín nước, dạng thẳng 1p - 63A - 3 chân - IP67
