Video giới thiệu át chống sét Mersen STPT23-20KA
Thiết bị chống sét lna truyền Mersen STPT23-20KA
- STPT23-20KA là thiết bị cắt lọc sét, có nhiệm vụ cắt các xung sét lan truyền đường nguồn, đường tín hiệu chuyển hướng các xung sét có thể gây hại phụ tải phía sau xuống bãi tiếp địa PE.
- STPT23-20KA được sử dụng cho các tủ điện công nghiệp, dân dụng, trạm viễn thông, dầu khí và một số hạng mục công trình khác.
- Tải Catalogue thiết bị chống sét lan truyền Mersen: Tại đây

Thiết bị chống sét lan truyền 3 pha STPT23-20KA
Thông số kỹ thiết bị chống sét lan truyền cho hệ thống điện 3 pha STPT23-20K320
- Điện áp làm việc Un: 120/208V, 230/400V, 277/480V, 400/690V
- Cấu hình bảo vê: TNC, TNS, TT, IT
- Số cực: 1,2,3,4
- Dòng cắt danh định In (8/20): 10kA/P
- Dòng cắt lớn nhất Imax (8/20): 20kA/P
- Xung điện áp kết hợp Uoc (1,2/50): 10kV
- Chịu được dòng ngắn mạch Icc: 25kA
- Cầu chì bảo vệ: 63A gG
- Nhiệt độ làm việc: -40 - +80°C
- Độ ẩm làm việc: 0 - 95%
- Tích hợp đèn hiển thị trạng thái làm việc
- Cảnh bảo từ xa Dry Contact: Tùy chọn
- Lắp đặt: Thanh Din - Indoor
- Đáp ứng tiêu chuẩn: IEC 61643-11, EN 61643-11
- Hiệu: Mersen Model: STPT23-20KA
- Xuất xứ: Tây Ban Nha
- Bảo hành: 12 tháng

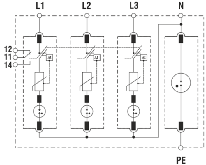
Sơ đồ lắp đặt thiết bị chống sét 3 pha Mersen STPT23-20KA
Mọi thông tin về sản phầm thiết bị cắt lọc sét STPT23-20KA và Báo giá Thiết bị cắt lọc sét Mersen STPT23-20KA, Quý khách vui lòng liên hệ với Chống sét Đông Nam để được tư vấn chi tiết.
