Video giới thiệu thiết bị chống sét CPT PSM4-40/400 TT
Thiết bị cắt lọc sét 3 pha Cirprotec dòng cắt 40kA
- PSM4-40/400 TT là thiết bị cắt sét 03 pha Cirprotec-Tây Ban Nha
Thiết bị cắt sét 03 pha Cirprotec-Tây Ban Nha PSM4-40/400 TT
- Bảo vệ sét lan truyền trên đường nguồn hạ áp 03 pha, điện áp làm việc Max 400V
- Thiết bị chống sét PSM4-40/400 TT của Cirprotec-Tây Ban Nha có khả năng cắt dòng xung sét lên tới 40kA
- Cấu hình bảo vệ Cirprotec-Tây Ban Nha PSM4-40 / 400 TT bảo vệ giữa L1-N, L2-N, L3-N, N-PE
- Cắt sét lan truyền PSM4-40/400 TT Cirprotec-Tây Ban Nha có hình dáng gọn nhẹ dễ dàng lắp đặt trên thanh DIN 35mm trong tủ điện tổng 03 pha.

Thông số bộ chống sét lan truyền 3 pha PSM4-40/400 TT
Thông số kỹ thuật thiết bị chống sét lan truyền 3 pha PSM4-40/400 TT
- Một phần số: PSM4-40/400 TT
- EAN: 8435297827221
- Mã biểu thuế (HS): 8536.30.90
- Chiều cao sản phẩm: 90 [mm]
- Chiều rộng sản phẩm: 72 [mm]
- Chiều dài sản phẩm: 70 [mm]
- Trọng lượng sản phẩm 388 [gr]
- Cấu hình nội bộ: 3P + N
- Số cực: 4
- Không. Mô-đun đường ray DIN: 4
- Cài đặt: (L1-L2-L3-N-PE)
- Cấu hình mạng: TT, TNS
- Chứng chỉ CE; RCM: UL 1449
- Chỉ định theo EN 61643-11: Loại 2
- Chỉ định theo IEC 61643-11: Cấp II
- Vật liệu cách nhiệt & lớp dễ cháy: PA66 CT1; V-0
- Cung cấp hiệu điện thế: 230/400 [V]
- Điện áp danh định: AC 50-60 Hz (LN) Un (LN) 230 [V]
- Điện áp danh định: AC 50-60 Hz (LL) Un (LL) 400 [V]
- Điện áp hoạt động liên tục tối đa: (LN) Uc (LN) 275 [V]
- Điện áp hoạt động liên tục tối đa: (N-PE) Uc (N-PE) 265 [V]
- Dòng xả tối đa: (8/20) (LN) Imax (LN) 40 [kA]
- Dòng xả danh định: (8/20) (LN) Trong (LN) 20 [kA]
- Dòng xả danh định: (8/20) Trong 20 [kA]
- Mức bảo vệ điện áp: (LN) ở In Lên (LN) ≤ 1,3 [kV]
- Mức bảo vệ điện áp: (N-PE) ở In Lên (N-PE) ≤ 1,5 [kV]
- Cầu chì dự phòng tối đa: 125 A [gG]
- Ngắn mạch chịu được: Isccr 25 [kA]
- Thời gian phản hồi: (LN) tA (LN) 25 [NS]
- Thời gian phản hồi: (N-PE) tA (N-PE) 100 [NS]
- Theo dòng điện: (N-PE) Nếu tôi 100 [MỘT]
- Dấu hiệu kết thúc vòng đời trực quan đúng
- Ngắt kết nối nhiệt động (LN) đúng

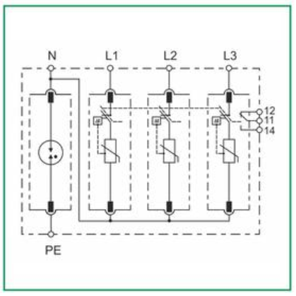
Nguyên lý hoạt động thiết bị cắt lọc sét PSM4-40 / 400 TT
- Tệp UL E360120
- Loại SPD UL 2CA
- Hệ thống phân phối điện 3 năm
- Điện áp hoạt động liên tục tối đa (LN) MCOV (LN) 275 [V]
- Điện áp hoạt động liên tục tối đa (LL) MCOV (LL) 550 [V]
- Điện áp hoạt động liên tục tối đa (LG) MCOV (LG) 275 [V]
- Điện áp hoạt động liên tục tối đa (NG) MCOV (NG) 277 [V]
- Dòng xả danh định (UL) Trong 20 [kA]
- Mức bảo vệ điện áp (LN) ở In VPR (LN) 900 [V]
- Mức bảo vệ điện áp (LL) ở In VPR (LL) 1800 [V]
- Mức bảo vệ điện áp (LG) ở In VPR (LG) 1500 [V]
- Mức bảo vệ điện áp (NG) ở In VPR (NG) 700 [V]
- Đánh giá dòng điện ngắn mạch SCCR 85 [kA]
- Thương hiệu: Cirprotec
- Model: PSM4-40/400 TT/Mã số: 77707806
- Bảo hành 12 tháng.

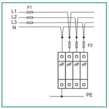
Sơ đồ lắp đặt bộ bộ chống sét 3 pha Cirprotec
Mọi yêu cầu về Tài liệu kỹ thuật, Catalogue và Báo giá thiết bị chống sét 03 pha Cirprotec PSM4-40 / 400 TT, Quý khách vui lòng liên hệ với Chống sét Đông Nam để được tư vấn chi tiết.

 