Video giới thiệu thiết bị chống sét lan truyền OBO V25-B+C 4-280
Thiết bị cắt lọc sét 4 pha OBO V25-B+C 4
- OBO V25-B+C 4 là thiết bị nhằm hạn chế sự quá áp đột biến lan truyền trên đường dây bằng cách chuyển hướng dòng điện nguy hiểm này sang hệ thống tiếp địa một cách an toàn.
- Ngoài việc chống sét bằng hệ thống kim thu sét, chống sét lan truyền sẽ giúp cho hệ thống điện, điện tử & CNTT, nguồn điện 1Pha, 3Pha, máy tính, Server, Modem ADSL, Switch, Tổng đài, máy Fax,…được bảo vệ tối đa các nguy hiểm do sét gây ra.
- Tải Catalogue thiết bị cắt lọc sét 3 pha OBO: Tại đây
- Tải bảng giá thiết bị chống sét OBO: Tại đây

Thiết bị cắt lọc sét 3 pha lắp tủ nhánh, mắc song song
Thông số kỹ thuật thiết bị cắt lọc sét 4 pha OBO V25-B+C 4
- OBO V25-B+C/4-AS: Chống sét 3 pha In 120kA, Imax 200kA, còi báo, Bảo vệ cấp 1 + 2
- Điện áp làm việc định mức(V) (Ue) LN230VAC
- Điện áp sử dụng liên tục lớn nhất (V) LN=280VAC
- Dòng xả sét định mức (8/20uS) / (10/350uS) 30kA/pha ; 120ka total
- Dòng xả sét lớn nhất (8/20uS) / (10/350uS) 50kA/ph; 200KA TOTAL
- Dòng xả sét tổng (8/20uS) / (10/350uS) 120KA TOTAL 200KA MAX
- Điện áp xung tối đa bảo vệ được 0.9kV
- Thời gian đáp ứng 25 nS
- Xuất xứ: Đức/Hungary
- Thương hiệu: OBO
- Model: V25-B+C 4
- Mã sản phẩm: 5097193
- Bảo hành 12 tháng.

Bộ chống sét OBO 3 pha lắp song song V25-B+C 4

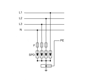
Sơ đồ đấu nối thiết bị cắt lọc sét 4 pha không phụ thuộc dòng tải V25-B+C 4
