Video thiết bị cắt lọc sét 2 pha không phụ thuộc dòng tải, OBO
Thiết bị chống sét lan truyền 1 pha OBO V25-B+C1+NPE-280
- OBO V25-B+C1+NPE-280 là thiết bị nhằm hạn chế sự quá áp đột biến lan truyền trên đường dây bằng cách chuyển hướng dòng điện nguy hiểm này sang hệ thống tiếp địa một cách an toàn.
- Ngoài việc chống sét bằng hệ thống kim thu sét, chống sét lan truyền sẽ giúp cho hệ thống điện, điện tử & CNTT, nguồn điện 1 pha, 3 pha, máy tính, Server, Modem ADSL, Switch, Tổng đài, máy Fax,…được bảo vệ tối đa các nguy hiểm do sét gây ra.
- Tải Catalogue sản phẩm thiết bị cắt lọc sét 1 pha OBO: Tại đây
- Tải bảng giá thiết bị chống sét OBO: Tại đây

Thiết bị cắt lọc sét 1 pha
Thông số kỹ thuật thiết bị cắt lọc sét 1 pha V25-B+C1+NPE-280
- V25 Type (chống xung lan truyền (10/350us) xung lan truyền (8/20us) trền đường nguồn cấp 1
- Thiết bị chống sét nguồn AC, phù hợp cho các kiểu cấu trúc hệ thống lưới điện TN-CS, TN-S, TT (cho model có+NPE)
- Chống sét dạng module
- Mắc song song với tải ra
- Tiêu chuẩn: VDE, ÖVE, KEMA,CE, IEC
- Điện áp làm việc định mức (Ue): 230VAC
- Điện áp sử dụng liên tục lớn nhất (V): 255VAC
- Dòng xả sét định mức: (8/20uS) / (10/350uS): 30kA
- Dòng xả sét lớn nhất :(8/20uS) / (10/350uS): 50kA
- Dòng xả sét tổng: (8/20uS) / (10/350uS): 60kA
- Điện áp xung tối đa bảo vệ được: <1.1kV
- Thời gian đáp ứng: <25 nS
- Xuất xứ: Đức/Hungary / Thương hiệu: OBO
- Model: V25-B+C 1+NPE-280
- Mã sản phẩm: 5094 457
- Bảo hành: 12 tháng.

Thiết bị chống sét 1 pha
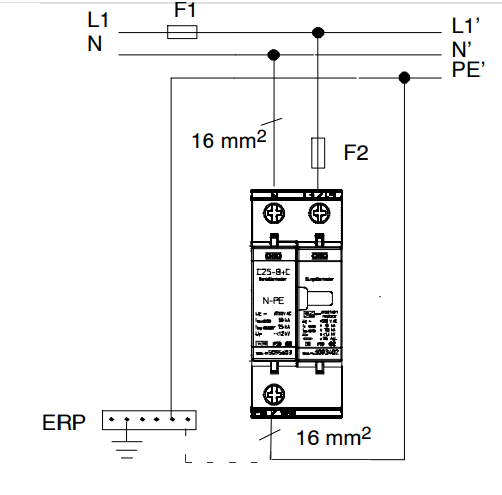
Hướng dẫn lắp đặt thiết bị cắt lọc sét 2 pha V25-B+C 1+ NPE-280

Sơ đồ đấu nối thiết bị cắt lọc sét 1 pha, lắp nhà dân dụng
Mọi yêu cầu về tài liệu kỹ thuật, catalogue và báo giá thiết bị cắt lọc sét 1 pha V25-B+C1+NPE-280, Quý khách vui lòng liên hệ với chống sét Đông Nam để được tư vấn chi tiết.
