Thiết bị chống sét lan truyền đường tín hiệu (hay còn gọi là SPD - Surge Protective Device cho đường tín hiệu) là một loại thiết bị được sử dụng để bảo vệ các thiết bị điện tử và hệ thống thông tin liên lạc khỏi những xung điện áp đột biến do sét đánh hoặc các hiện tượng khác gây ra trên đường truyền tín hiệu.
1. Vai trò của thiết bị chống sét lan truyền đường tín hiệu
- Bảo vệ thiết bị: Các thiết bị điện tử như máy tính, thiết bị viễn thông, hệ thống camera, và các thiết bị nhạy cảm khác rất dễ bị hư hỏng bởi xung điện áp cao do sét lan truyền gây ra. SPD giúp chuyển hướng dòng điện nguy hiểm này xuống đất, bảo vệ thiết bị khỏi bị cháy nổ hoặc hư hỏng.
- Đảm bảo an toàn: Sét lan truyền có thể gây nguy hiểm cho người sử dụng nếu không được kiểm soát. SPD giúp giảm thiểu nguy cơ này bằng cách ngăn chặn các xung điện áp nguy hiểm lan truyền vào trong nhà hoặc tòa nhà.
- Duy trì hoạt động liên tục: Trong các hệ thống quan trọng như trung tâm dữ liệu, hệ thống viễn thông, việc gián đoạn hoạt động do sét đánh có thể gây ra những hậu quả nghiêm trọng. SPD giúp đảm bảo hệ thống hoạt động liên tục bằng cách bảo vệ chúng khỏi các xung điện áp đột biến.

2. Các đường tín hiệu cần bảo vệ
-
Các đường tín hiệu dễ bị ảnh hưởng bởi sét lan truyền gồm:
- Dây mạng LAN (Ethernet, cáp Cat5e, Cat6)
- Dây điện thoại (RJ11, RJ45)
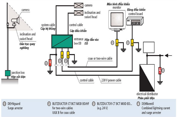
- Cáp truyền hình, cáp camera (CCTV, Coaxial, BNC)
- Dây tín hiệu điều khiển, SCADA, RS485, RS232
- Kiểm tra đường đi của cáp tín hiệu, đặc biệt là các cáp đi ngoài trời hoặc kéo dài từ nơi này sang nơi khác.

3. Lựa chọn thiết bị chống sét lan truyền phù hợp
- Chống sét cho cáp mạng (Ethernet LAN, POE):
- Dùng thiết bị chống sét RJ45 gắn tại switch mạng hoặc đầu vào của thiết bị.
- Nếu dùng POE (cấp nguồn qua dây mạng), chọn thiết bị chống sét hỗ trợ POE.
- Chống sét cho dây điện thoại (RJ11):
- Dùng bộ chống sét chuyên dụng RJ11 tại đầu vào tổng đài hoặc điện thoại.
- Chống sét cho cáp camera (CCTV, Coaxial, BNC):
- Dùng thiết bị chống sét cho đường cáp đồng trục (BNC) hoặc chống sét cho camera IP.
- Chống sét cho hệ thống điều khiển (RS485, RS232, SCADA):
- Lắp thiết bị cắt lọc sét chuyên dụng cho đường truyền tín hiệu.
4. Lắp đặt thiết bị chống sét lan truyền
- Bước 1: Lắp thiết bị chống sét tại các điểm quan trọng
- Đầu vào thiết bị: Router, modem, switch, tổng đài, camera.
- Đầu vào tủ điều khiển PLC, hệ thống giám sát.
- Các điểm nối giữa các khu vực trong hệ thống mạng.
- Bước 2: Đấu nối tiếp địa cho thiết bị chống sét
- Dùng dây đồng ≤ 10mm² nối thiết bị chống sét với hệ thống tiếp địa chung.
- Đi dây tiếp địa ngắn nhất có thể (≤ 1m) để giảm điện trở.
- Bước 3: Kiểm tra kết nối và đảm bảo an toàn
- Đo điện trở tiếp địa, đảm bảo ≤ 4Ω.
- Kiểm tra đường truyền tín hiệu không bị suy hao sau khi lắp đặt.
5. Mua thiết bị chống sét lan truyền tín hiệu ở đâu?
Công ty CP Công nghiệp và Thương mại Đông Nam là sản xuất và phân phối hàng đầu thiết bị chống sét lan truyền. Sản phẩm có đầy đủ chứng chỉ chất lượng. Liên hệ ngay để được tư vấn kỹ thuật và báo giá sỉ dự án:
📞 Hotline: 0904.994.416
🌐 Website: www.chongsetdongnam.com
📧 Email: sale.dongnam@gmail.com
